樂視科技最新研發特色產品-3DPC系列數字控制盒,采用STM32單片機控制,體積小巧,功能強大,性價比高。
產品特點
★鋁合金外殼,散熱好;
★高性價比配套照明最佳方案 ;
★PWM常亮與頻閃功能模式可選 ;
★頻閃點亮時間0-255ms可設;
★10us快速響應,256級亮度可調;
★配備12V 500mA相機供電接口。
工作系統示例
時序圖
常亮模式(H 1模式):
當外部連接觸發信號時,觸發“+”輸入高電平5-24V “-”接地時,光源滅。
常滅模式(H 0模式):
當外部連接觸發信號時,觸發“+”輸入高電平5-24V “-”接地時,光源亮。
常滅模式(H0模式)觸發時序圖
說明:T1觸發光源打開延時時間,T2觸發光源關閉延時時間,T3光源被觸發后點亮時間,T1≤10us,T3≤10us。
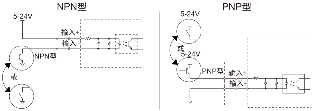
控制器接線方法
控制器參數
控制器型號
外形尺寸(mm)

免費借樣
★各位客戶如需借樣測試購買,可直接聯系我司。
咨詢熱線:+86-769-23131500
官方網站:http://www.www.successtrips.com
地址:廣東省東莞市厚街鎮科技工業城福東路挺豐科技園B棟1-3層

