
機器視覺光源控制器在多塵環境中使用時,灰塵、碳粉等雜質容易進入產品內部,導致光源控制器出現故障。樂視根據客戶需求新開發IP系列防塵控制器,此控制器防塵級達到IP54級,為客戶提供更多應用場合,保證產品的穩定性及延長壽命。
產品特點:
1.IP5X級防塵保護,適合多塵環境2.具備LAN網口、RS232通訊
3.具備外部觸發功能
4.散熱性能良好
5.亮度可調
工作系統示例
時序圖
常亮模式(H 1模式):
當外部連接觸發信號時,觸發“+”輸入高電平5-24V “-”接地時,光源滅。
常滅模式(H 0模式):
當外部連接觸發信號時,觸發“+”輸入高電平5-24V “-”接地時,光源亮。
常滅模式(H0模式)觸發時序圖
說明:T1觸發光源打開延時時間,T2光源被觸發后點亮時間,T3觸發光源關閉延時時間,T1≤10us,T3≤10us。
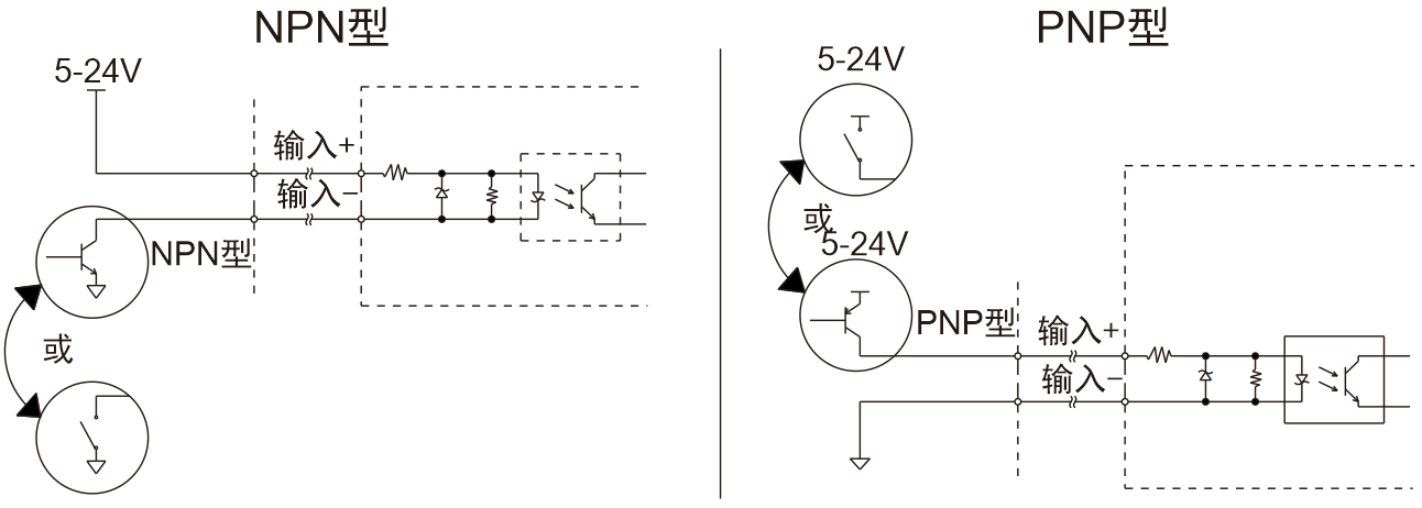
常用外部觸發信號接線方法
編碼規則

控制器參數

外形尺寸(mm)

免費借樣服務
各位客戶如需借樣測試購買,可直接聯系我司。
咨詢熱線:+86-769-23131500
官方網站:www.www.successtrips.com
地址:東莞市厚街鎮科技大道7號黃金小鎮31號樓9樓

