產品特點:
1.IP5X級防塵保護,適合多塵環境
2.亮度可調
3.具備LAN網口、RS232通訊
4.具備外部觸發功能
5.散熱性能良好
工作系統示例


時序圖
常亮模式(H 1模式):
當外部連接觸發信號時,觸發“+”輸入高電平5-24V “-”接地時,光源滅。
常滅模式(H 0模式):
當外部連接觸發信號時,觸發“+”輸入高電平5-24V “-”接地時,光源亮。
常滅模式(H0模式)觸發時序圖

說明:T1觸發光源打開延時時間,T2光源被觸發后點亮時間,T3觸發光源關閉延時時間,T1≤10us,T3≤10us。
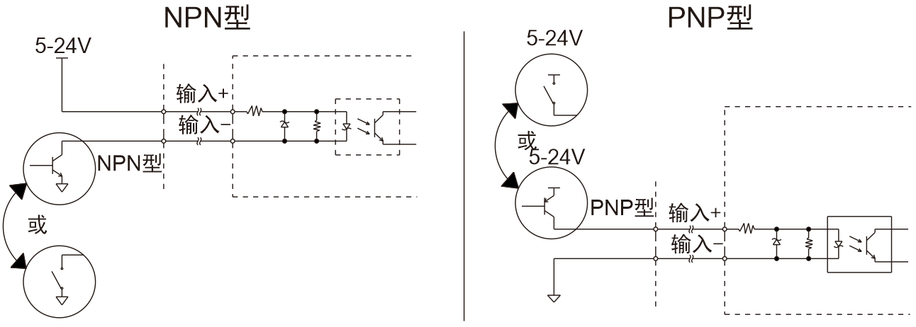
常用外部觸發信號接線方法

控制器型號
| 類型 | 型號 | 輸出電壓 | 總輸出功率 | 單路輸出最大功率 | 通道數 | 外部觸發電壓 |
| 防塵控制器 | LTS-3DPC24120-8S-IP | 24V | 120W | 60W | 8 | 5-24V |
| LTS-3DPC24200-8S-IP | 24V | 200W | 60W | 8 | ||
| LTS-APC24240-1-IP | 24V | 240W | 240W | 1 | — | |
| LTS-APC24480-1-IP | 24V | 480W | 480W | 1 | — |
