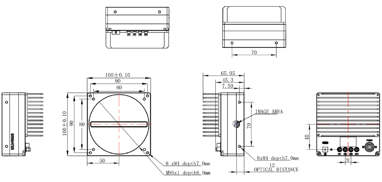
LCP-C16K05CX-H100K工業線陣相機,采用16384x256線TDI彩色ECCD Sensor,該Sensor同時兼具CCD TDI傳感器的高靈敏度、高信噪比以及CMOS TDI傳感器的高速度、低功耗的優點,代表業內最先進水平。提供散熱片、風扇等多種散熱方式,用以適應更多的工業應用場景。
相機數據接口采用CoaXPress2.0協議傳輸,單根線纜最大傳輸數據量高達12.5Gbps,能為用戶提供高速可靠的數據傳輸。同時集成多種的ISP圖像處理技術,兼具高速、高精度、高性能等特點。
產品特點:
1.豐富的ISP圖像處理技術,平場校正、LUT、Gamma校正、黑電平調節等
2.提供4路CoaXPress-12數據接口,最高行頻可達100kHZ
3.多路雙向可配置GPIO接口,輸入/輸出可靈活配置
4.結構設計緊湊,散熱片、風扇多種版本可選
應用范圍:
1.印刷檢測
2.食品分選
3.棉紡異纖檢測
4.紡織布匹檢測

