產品特點:
1.12us快速觸發響應
2.內部觸發頻率可設
3.瞬間增亮2-10,脈寬0-999us可調
4.發光延時調節功能,0-999us可調
5.濾波時間調節功能,0-999us/1-999ms可調
6.支持RS232,LAN通訊
7.同步光源輸出12V脈沖信號用于觸發相機
工作系統示例
時序圖

說明:當控制器收到外部觸發信號后延時T1≤12us,控制器的輸出端連接的光源點亮,點亮時間為控制器面板設置的時間,時序圖中為T5,T5≤999us。同時在光源點亮時輸出一組信號用于觸發相機或外部設備。在相機收到控制器給出的信號后可延時T3≤3us再拍照,此時拍出的照片亮度為最亮。當相機拍照完畢,光源點亮時間T5完成后,光源熄滅,一個工作周期完成。
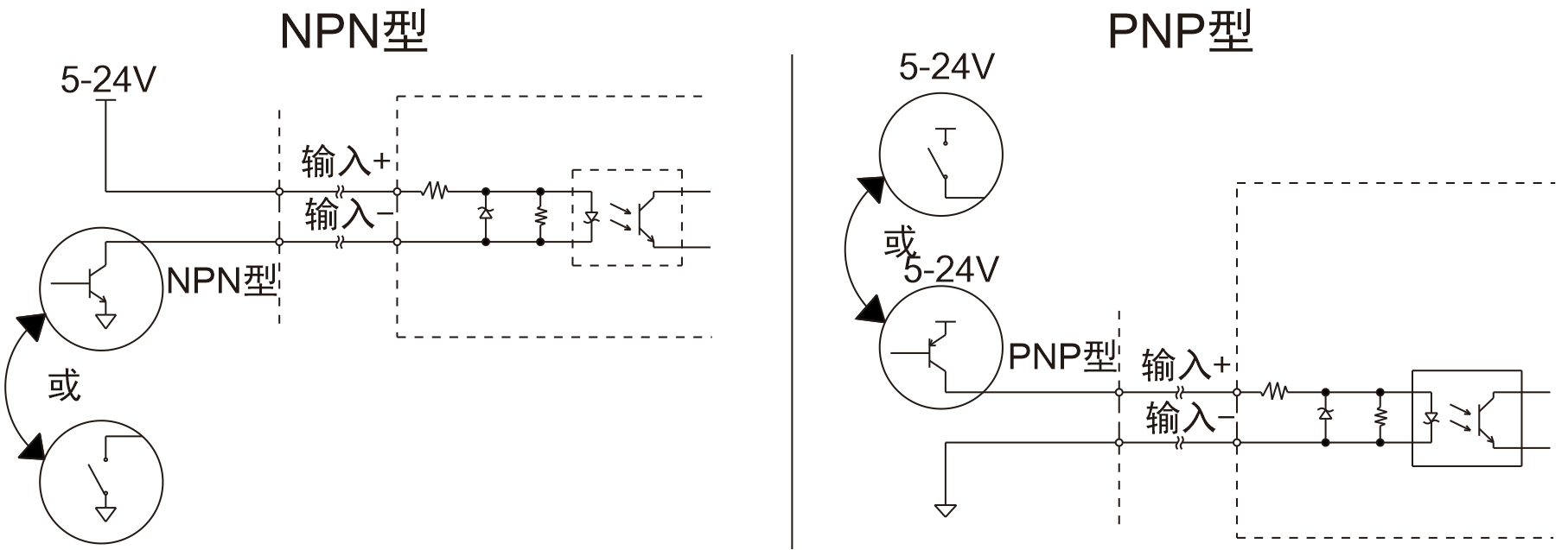
常用外部觸發信號接線方法

控制器型號
|
類型 |
型號 | 輸出電壓 | 通道數 | 點亮時間 |
支持觸發頻率 F=外部觸發頻率值 |
外部觸發電壓 |
|
N系列增亮頻閃控制器 |
LTS-4STU4860-2N |
48V |
2 |
0-999us可調 |
F<200HZ |
5-24V上升沿觸發 或下降沿觸發 |
|
LTS-4STU4860-4N |
48V |
4 |
||||
|
LTS-4STU48120-2N |
48V |
2 |
||||
|
LTS-4STU48120-4N |
48V |
4 |
||||
|
LTS-4STU48200-2N |
48V |
2 |
||||
|
LTS-4STU48200-4N |
48V |
4 |
||||
|
P系列增亮頻閃控制器 |
LTS-4STU48120-4P |
48V |
4 |
0-100s可調 |
F<50HZ |
|
|
LTS-4STU48200-2P |
48V |
2 |
||||
|
LTS-4STU48200-4P |
48V |
4 |
